杭州艾诺半导体有限公司
Hangzhou Einno Semiconductor Corp.,LTD
艾诺半导体成立于2019年,顶级海归创业团队,深耕行业近二十年,曾服务于美国知名半导体公司,整个团队集芯片设计、SiP封装、系统应用和市场销售于一体,可以实现产品全线自主研发、封装测试、应用生产和市场推广等工作。公司拥有自主知识产权的超高集成度电源SiP、超低功耗电源转换器、超低噪声电源管理芯片、多相宽压控制器以及智能功率级(SPS)芯片用于汽车电子、医疗设备、工业设备、人工智能、云计算、数据中心的高性能电源系统解决方案,公司将利用自身技术优势,依托中国的产业链平台,扩大市场规模,技术性能上超越国外主流产品,填补国内高端电源芯片及SiP产品空白。
Einno Semiconductor Founded in 2019, the whole team integrates chip design, SiP packaging, system application and marketing ,The company has independent intellectual property rights of ultra-high integration power supply SiP, ultra-low power consumption power converter, ultra-low noise power management chip, multiphase wide voltage controller and intelligent power level (SPS) chip for automotive electronics, medical equipment, industrial equipment, artificial intelligence, cloud computing, data center high-performance power system solutions。
产品展示
-
ES5423
ES5423是一款高性能宽压输入同步降压直流转换器,输入电压范围3V到42V,输出3A持续电流。产品拥有3uA超低静态电流,10uA待机电流(24V转5V,空载输出),展频技术和友好的管脚排列非常有利于LAYOUT布局和通过严苛的EMI测试。产品有eMSOP-10和侧可湿翼的DFN-10 3x3mm两种封装,满足AEC-Q100汽车质量认证。非常适合汽车电子、BMS电池管理系统、工业12V/24V电源轨以及通信基站等领域。
-
EZ8650
EZ8650是一款全集成的双路输出25A或单路50A电流同步降压 (ezSiP®)电源模块。输入电压范围4.5V~18V,可通过电阻调节输出电压0.5V~5.5V,PMBus电源总线可实现电压、电流、温度以及功率的调节以及过压、过温等实时监测功能,实现更完善的电源系统。EZ8650带有外部时钟同步,支持多相并联、精准均流以及输出电源轨的跟踪功能。EZ8650拥有完善的保护功能,对过流、过压、过温进行精准的检测和保护, EZ8650在16x16x4.92mm的小尺寸下提供高功率密度以及耐热性能的BGA封装,并且符合RoHS标准。
-
ES5212/16
ES5212/16是艾诺研发的多相控制双路输出的高性能同步降压控制器,其峰值电流控制模式使得产品拥有出色的瞬态响应和线性调整率,输入电压范围3V~26.5V,输出0.5V~5.5V,两路独立的远端遥测仪表放大器确保输出精度可到±0.8%(全温度范围内),PMBus/AVSBus电源总线可实时自适应电压输出,并且能够实时监测电压、电流、温度等信息,内置兼容3.3V的PWM驱动外接智能功率级芯片或者功率模块,实现更加紧凑的大功率电源系统,满足当前数据中心上1000A大电流的应用系统。
艾诺可提供多相控制器(ES5212/16)+智能功率芯片SPS(ES5132/ES5131)完整的系统电源方案。 -
EZ8630
EZ8630是全集成双路输出20A或单路40A同步降压ezSiP®电源模块。输入电压范围4.5V~18V,输出电压是0.6V~5.5V,只需要一个外部电阻或者通过I2C接口进行输出电压调节。EZ8630带有时钟同步,精准均流、支持多相并联电流可达240A。EZ8630拥有完善的保护功能,对过流、过压、过温进行精准的检测和保护, EZ8630提供高功率密度以及耐热性能的BGA封装,并且符合RoHS标准,完全应用于数据中心、板卡以及网络数据处理等应用领域。
-
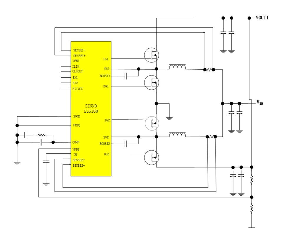
ES5160
ES5160是一宽双相控制、单路输出的高性能同步升压直流控制器,输入电压范围4.5V到42V,输出最高可到65V, 频率范围支持50kHz~900kHz, 1.2V±1%的参考基准电压(-40°C~125°C温度范围)。QFN4x5mm封装,产品支持100%直通功能,可实现并联输出更大大电流,满足大功率要求等特性,适用汽车高端音响、5G基站备用电源以及新能源系统。
-
ES5131/ES5132
ES5131和ES5132是Smart Power stage(SPS),集成了功率MOSFETs和高效的栅极驱动,非常适合高电流高频率的DC/DC的电源转换应用。优化的死区时间和寄生电感的减少,系统应用中可以提供非常高的效率。ES5131和ES5132能够提供高精度的温度和电流的监测,ES5131在电流监测信号脚(IOUT)可以实时提供精确的5uA/A的流过功率MOSFETs的电流,ES5132提供5mV/A的电压信号供外部监测。ES5131和ES5132包含一个温度监测信号脚(TOUT),在常温25°C情况下可以提供8mV/°C的电压信号输出,芯片支持深度睡眠模式,进一步减少功耗。
-
EZ8303
EZ8303是全集成的3A电流的同步降压DC/DC (ezSiP®)电源模块。输入电压范围2.5V~6V,输出电压是0.8V~VIN,工作在2.4MHz的高频率,COT控制架构可以提供快速动态响应和负载调整率,支持100%的占空比实现低压降输出。完善的过流、过压、过温保护功能。其微型封装非常使用于空间有限的医疗通信等产品。
-
EZ8603
EZ8603产品输入电压范围3V~17V,输出电流3A。可应用于3.3V、5V和12V系统,20V的绝对耐压值提供更多的裕量。输出电压从0.6V~6V,并且在全输入电压、输出电压、全负载电流以及在工作温度范围内能够保证±1.2%的输出直流精度。EZ8603采用COT架构,有快速的瞬态响应,非常适合应用到Wifi/4G/5G或者数据变化较大的场景。EZ8603封装大小仅有3x2.8x1.23mm,在8.4mm2的面积内提供高达3A的输出电流,业界领先,便携医疗测试设备,光模块产品等非常适用。
-
EZ8828
EZ8828是双路输出8A或单路16A电流的同步降压(ezSiP®)电源模块。输入电压范围4.5V~32V,输出电压0.6V~14V,只需要一个外部电阻或者通过I2C接口进行输出电压调节。EZ8828带有外部时钟同步,支持多相并联、精准均流 以及输出电源轨的跟踪功能。EZ8828拥有完善的保护功能,对过流、过压、过温进行精准的检测和保护, EZ8828提供高功率密度以及耐热性能的BGA封装,符合RoHS标准,广泛应用于工业测试设备、图像处理设备、通信设备等应用。
-
ES5201/ES5202
ES5201和ES5202是带PMBus的4.5V~42V宽压输入的电流控制模式的双路同步降压DC/DC控制器。ES5201集成了高效率的MOSFETs的驱动,ES5202直接输出PWM控制信号驱动外部的功率电路如DrMOS或者BLOCK。芯片包含两个高速差分远端采样放大器,并提供全工作温度范围内的0.5V精准参考电压。ES5201/ES5202的峰值电流控制模式提供逐周期的峰值电流保护和卓越的线性和负载调整率,双通道180°错相控制器降低输入电压和电源感应噪声,芯片支持连续电流模式和断续电路模式,外部时钟同步功能可实现12相240A电流输出,广泛应用于网络控制器、数据中心、交换系统等。